发货:3天内
发送询价
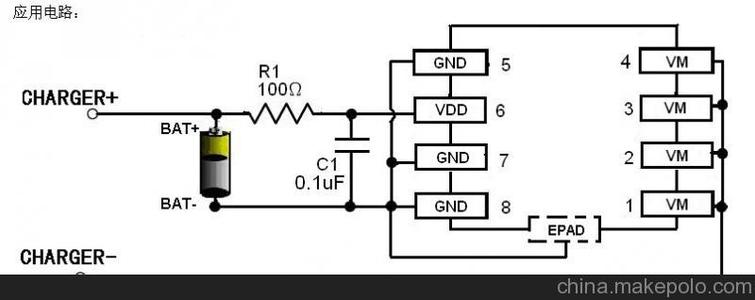
深圳市展嵘电子有限公司有需要的可联系小朱:13502853325XB6092系列产品是高度集成的锂电子/聚合物电池保护解决方案。
XB6092内置MOSFET,高精度电压检测电路和延迟电路、
XB6092 DFN1X1x0.37-4封装,外围仅一个外部元件使其成为电池组空间有限的理想解决方案。
XB6092具备所有保护功能。
在电池应用中需要,包括过充电,过放电,过电流以及负载短路保护等。
超低待机功耗
该设备不仅针对数字移动电话,也适用于任何其他手机,锂离子和锂聚合物电池供电,需要长期电池寿命的信息设备。
特征
充电器反向保护连接
集成先进的功耗场效率应晶体管相当于60Ω RSS(ON)
DFN1X1x0.37-4封装
过温保护
过充电电流保护
两步过流检测
过放电电流
负载电流
充电器检测功能
0V电池充电功能
内部生成延迟时间
高精度电压检测
低电流消耗、
工作模式:1.5uA典型值
掉电模式:1.0uA典型值
符合RoHS标准,不含铅
应用
单节锂离子电池组聚合物电池
可穿戴设备
蓝牙耳机
